BQ71F薄型保溫球閥
BQ71F薄型保溫球閥具有良好的保溫保冷特性,且閥門的通徑與管徑一致,同時又能有效降低管路中介質熱量損失。主要用于石油、化工、冶金、制藥、食品等各類系統中,以輸送常溫下會凝固的高粘度介質。主要型號、保溫型:手動(BQ71F)、氣動(BQ671F)、電動(BQ971F)
|
產品名稱: |
薄型保溫球閥 |
產品型號: |
BQ71F |
|
公稱通徑: |
DN15~DN200 |
結構形式: |
球形 |
|
公稱壓力: |
1.6Mpa~2.5Mpa |
連接方式: |
對夾式,法蘭 |
|
適用溫度: |
≤350ºC |
驅動方式: |
手動、電動、氣動 |
|
閥體材質: |
鑄鋼、不銹鋼 |
制造標準: |
國標GB、德國DIN、美國API、ANSI |
|
適用介質: |
水、油、氣體、液體 |
生產廠家: |
上海凱利科閥門有限公司 |
產品說明
BQ71F薄型保溫球閥具有良好的保溫保冷特性,且閥門的通徑與管徑一致,同時又能有效降低管路中介質熱量損失。主要用于石油、化工、冶金、制藥、食品等各類系統中,以輸送常溫下會凝固的高粘度介質。主要型號、保溫型:手動(BQ71F)、氣動(BQ671F)、電動(BQ971F)
產品性能
適用介質:水、油、氣及某些腐蝕性液體
溫度范圍:-20-232℃-350℃
公稱通徑:DN15-100mm1/2“-4“
公稱壓力:PN1.0-2.5MPa CLASS:150lb、JIS:10K
主要零件材料
|
序號NO |
零件名稱 |
材質 |
|
1 |
閥體 |
不銹鋼CF8M/CF8 |
碳鋼WCB |
|
2 |
球 |
不銹鋼316/304 |
不銹鋼SS304 |
|
3 |
密封墊 |
聚四氟乙烯PTFE |
聚四氟乙烯PTFE |
|
4 |
閥桿 |
不銹鋼316/304 |
不銹鋼SS304 |
|
5 |
填料 |
不銹鋼PTFE |
聚四氟乙烯PTFE |
|
6 |
定位鎖 |
不銹鋼304 |
不銹鋼SS304 |
|
7 |
手柄 |
不銹鋼304 |
不銹鋼SS304 |
|
8 |
閥桿螺母 |
不銹鋼304 |
不銹鋼SS304 |
|
9 |
填料壓蓋 |
不銹鋼304 |
不銹鋼SS304 |
|
10 |
手柄套 |
塑料Plastic |
塑料Plastic |
|
11 |
密封瓶帽 |
不銹鋼316/304 |
不銹鋼SS304 |
|
12 |
墊圈 |
聚四氟乙烯PTFE |
聚四氟乙烯PTFE |
安裝示意圖
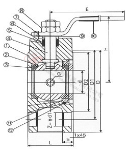
外形結構圖

主要外形及連接尺寸表
|
尺寸 |
15/1/2“ |
20/3/4” |
25/1“ |
32/11/4" |
40/11/2" |
50/2“ |
65/21/2" |
80/3” |
100/4“ |
125/5” |
150/6” |
200/8“ |
|
d |
15 |
19 |
23.5 |
30 |
36 |
45 |
58 |
67 |
76 |
100 |
125 |
195 |
|
L |
32 |
38.5 |
45 |
55 |
62 |
72 |
95 |
120 |
145 |
200 |
225 |
275 |
|
D |
95 |
105 |
115 |
135 |
145 |
160 |
180 |
195 |
215 |
245 |
280 |
335 |
|
D1 |
65 |
75 |
85 |
100 |
110 |
125 |
145 |
160 |
180 |
210 |
240 |
295 |
|
D2 |
45 |
55 |
65 |
78 |
85 |
100 |
120 |
135 |
155 |
185 |
210 |
265 |
|
H |
62 |
70 |
79 |
86 |
92 |
102 |
158 |
172 |
187 |
200 |
240 |
278 |
|
E |
110 |
125 |
135 |
150 |
150 |
180 |
250 |
300 |
350 |
650 |
840 |
1000 |
|
b |
14 |
14 |
16 |
16 |
18 |
20 |
22 |
24 |
24 |
26 |
26 |
28 |
|
z-d1 |
4-14 |
4-14 |
4-14 |
4-18 |
4-18 |
4-18 |
4-18 |
8-18 |
8-18 |
8-18 |
8-23 |
12-20 |
|
l |
2 |
2 |
2 |
3 |
3 |
3 |
3 |
3 |
3 |
3 |
3 |
3 |
|
2-G |
3/8 |
3/8 |
3/8 |
1/2 |
1/2 |
1/2 |
1/2 |
1/2 |
1/2 |
1/2 |
1/2 |
|
聲明:【BQ71F薄型保溫球閥】規格型號、結構尺寸由上海凱利科閥門有限公司提供,如何選擇適用的BQ71F薄型保溫球閥產品,使之在工藝控制中安全可靠、經濟適用,可致電我司銷售部門及技術部門,我們將在最短的時間內為您解答! |