D641X不銹鋼氣動法蘭蝶閥
D643H不銹鋼氣動法蘭蝶閥采用精密的U形彈性密封圈及三偏心多層次金屬硬密封結構,被廣泛用于介質溫度≤425℃的治金 、電力、石油化工、以及給排水和市政建設等工業管道上,作調節流量和載斷流體使用。該閥采用三偏心結構,閥座與碟板密封面均采用不同硬度和不銹鋼制作,具有良好的耐腐蝕性,使用壽命長,本閥均有雙向密封功能,產品符合國家GB/T13927-92閥門壓力試驗標準。
|
產品名稱: |
不銹鋼氣動法蘭蝶閥 |
產品型號: |
D643H |
|
公稱通徑: |
DN50~DN1000 |
閥座密封: |
堆焊合金、司太立合金 |
|
公稱壓力: |
1.0Mpa~4.0MPa |
連接方式: |
法蘭式 |
|
適用溫度: |
-20ºC~+550ºC |
驅動方式: |
手動、蝸輪、電動、氣動 |
|
閥體材質: |
不銹鋼 |
制造標準: |
國標GB、德國DIN、美國API、ANSI |
|
適用介質: |
水、油、蒸汽、氣體、粉體、液體 |
生產廠家: |
上海凱利科閥門有限公司 |
產品說明
D643H不銹鋼氣動法蘭蝶閥采用精密的U形彈性密封圈及三偏心多層次金屬硬密封結構,被廣泛用于介質溫度≤425℃的治金 、電力、石油化工、以及給排水和市政建設等工業管道上,作調節流量和載斷流體使用。該閥采用三偏心結構,閥座與碟板密封面均采用不同硬度和不銹鋼制作,具有良好的耐腐蝕性,使用壽命長,本閥均有雙向密封功能,產品符合國家GB/T13927-92閥門壓力試驗標準。
產品特點
1、本閥采用三偏心密封結構,閥座與蝶板幾乎無磨損,具有越觀越緊的密封功能。
2、密封圈選用不銹鋼制作,具有金屬硬密封和彈性密封的雙重優點,無論在低溫和高溫的情況下,均具有優良的密封性能,具有耐腐蝕,使用壽命長等特點。
3、碟板密封面采用堆焊鈷基硬質合金,密封面耐磨損,使用壽命長。
4、大規格蝶板采用絎架結構,強度高,過流面積大,流阻小。
5、本閥具有雙向密封功能,安裝時不受介質流向的限制,也不受空間位置的影響,可在任何方向安裝。
6、驅動裝置可以多工位(旋轉90°或180°)安裝,便于用戶使用。
執行機構
采用新型系列GT型氣動執行器,有雙作用式和單作用式(彈簧復位),齒輪傳動,安全可靠;大口徑閥門采用系列AW型氣動執行器拔叉式傳動,結構合理,輸出扭矩大,有雙作用式和單作用式
1、齒輪式雙活塞,輸出力矩大,體積小。
2、氣缸選用鋁金材料,重量輕、外形美觀。
3、可在頂部、底部安裝手動操作機構。
4、齒條式連接可調節開啟角度、額定流量。
5、執行器可選帶電訊號反饋指示及各類附件以實現自動化操作。
6、IS05211標準連接為產品的安裝更換提供了方便。
7、兩端調的節螺釘可使標準產品在0°和90°有±4°的可調范圍。確保與閥門的同步精度。
附件選項
根據不同控制和要求可選擇下列附件:
切斷型附件:單電控電磁閥、雙電控電磁閥、限位開關回訊器。
調節型附件:電氣定位器、氣動定位器、電氣轉換器。
氣源處理附件:空氣過濾減壓閥、氣源處理三聯件。
技術參數
|
公稱通經DN(mm) |
50~2000 |
|
公稱壓力PN(MPa) |
0.6 |
1.0 |
1.6 |
2.5 |
|
密封試驗(MPa) |
0.66 |
1.1 |
1.76 |
2.75 |
|
強度試驗(MPa) |
0.9 |
1.5 |
2.4 |
3.75 |
|
適用溫度 |
不銹鋼:-40℃~650℃ |
|
適用介質 |
水、空氣、天然氣、油品及弱腐蝕性流體 |
|
泄漏率 |
符合GB/T13927-92標準 |
|
驅動方式 |
蝸輪傳動、電動、氣動、液動 |
主要零部件材料
|
零件名稱 |
材料 |
|
閥體 |
不銹鋼 |
|
蝶板 |
不銹鋼 |
|
閥軸 |
不銹鋼 |
|
密封圈 |
不銹鋼圈 |
|
填料 |
柔性石墨 |
執行標準
|
制造標準 |
JB/T 8527-97 |
|
法蘭標準 |
GB9113-2000 |
|
結構長度標準 |
GB12221-89 |
|
檢驗標準 |
GB/T 13927-92 |
偏心原理及密封形式
1、偏離管道中心
2、偏離密封面中心
3、傾斜的錐形
當閥門開啟時,蝶板與閥座在關閉時瞬間接觸,利用蝶板偏心1、偏心2迅速脫離閥座,降低了密封副的磨損,磨擦力矩小,開啟靈活。偏心錐面3,使閥門在開啟或關閉時蝶板能通過閥座內孔,實現接觸密封。另外,錐形蝶板的旋轉半徑大于密封副接觸位置的旋轉半徑,故蝶板在閥門關閉時將出現越關越緊,能夠實現自鎖,防止蝶板過位。
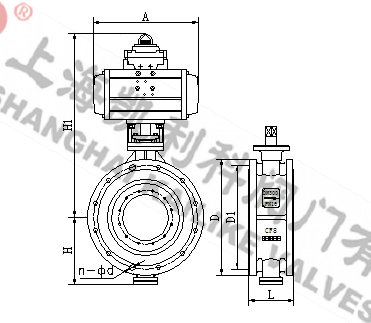
外形結構圖
主要外形尺寸PN0.6-1. 0MPa
|
公稱 通徑 |
長度 標準值 |
外形尺寸 (參考值) |
連接尺寸 (標準值) |
重量 (kg) |
|
L |
H |
H2 |
A |
B2 |
PN0.6MPa |
PN1.0MPa |
|
毫米 |
英寸 |
短 |
長 |
D |
D1 |
Z-d |
D |
D1 |
Z-d |
|
50 |
2 |
108 |
150 |
112 |
625 |
245 |
72 |
140 |
110 |
4-14 |
165 |
125 |
4-18 |
17 |
|
65 |
2.5 |
112 |
170 |
115 |
625 |
245 |
72 |
160 |
130 |
4-14 |
185 |
145 |
4-18 |
20 |
|
80 |
3 |
114 |
180 |
120 |
645 |
245 |
72 |
190 |
150 |
4-18 |
200 |
160 |
8-18 |
23 |
|
100 |
4 |
127 |
190 |
138 |
675 |
355 |
92 |
210 |
170 |
4-18 |
220 |
180 |
8-18 |
25 |
|
125 |
5 |
140 |
200 |
164 |
715 |
355 |
92 |
240 |
200 |
8-18 |
250 |
210 |
8-18 |
40 |
|
150 |
6 |
140 |
210 |
175 |
800 |
355 |
92 |
265 |
225 |
8-18 |
285 |
240 |
8-22 |
47 |
|
200 |
8 |
152 |
230 |
208 |
850 |
250 |
170 |
320 |
280 |
8-18 |
340 |
295 |
8-22 |
60 |
|
250 |
10 |
165 |
250 |
243 |
925 |
250 |
170 |
375 |
335 |
12-18 |
395 |
350 |
12-22 |
95 |
|
300 |
12 |
178 |
270 |
283 |
1035 |
450 |
220 |
400 |
395 |
12-22 |
445 |
400 |
12-22 |
124 |
|
350 |
14 |
190 |
290 |
310 |
1070 |
450 |
220 |
490 |
445 |
12-22 |
505 |
460 |
16-22 |
181 |
|
400 |
16 |
216 |
310 |
340 |
1190 |
450 |
220 |
540 |
495 |
16-22 |
565 |
515 |
16-26 |
260 |
|
450 |
18 |
222 |
330 |
380 |
1250 |
650 |
280 |
595 |
550 |
16-22 |
615 |
565 |
20-26 |
338 |
|
500 |
20 |
229 |
350 |
410 |
1290 |
650 |
280 |
645 |
600 |
20-22 |
670 |
620 |
20-26 |
360 |
|
600 |
24 |
267 |
390 |
470 |
1455 |
850 |
380 |
755 |
705 |
20-26 |
780 |
725 |
20-30 |
540 |
|
700 |
28 |
292 |
430 |
550 |
1585 |
850 |
380 |
860 |
810 |
24-26 |
895 |
840 |
24-30 |
580 |
|
800 |
32 |
318 |
470 |
640 |
1700 |
1250 |
380 |
975 |
920 |
24-30 |
1015 |
950 |
24-33 |
845 |
|
900 |
36 |
330 |
510 |
710 |
1865 |
1250 |
380 |
1075 |
1020 |
24-30 |
1115 |
1050 |
28-33 |
1050 |
|
1000 |
40 |
410 |
550 |
770 |
2015 |
1500 |
580 |
1175 |
1120 |
28-30 |
1230 |
1160 |
28-36 |
1500 |
|
1200 |
48 |
470 |
630 |
890 |
2226 |
1500 |
580 |
1405 |
1340 |
32-33 |
1455 |
1380 |
32-39 |
2000 |
主要外形尺寸PN1.6-2.5MPa
|
公稱通徑 |
長度 標準值 |
外形尺寸 (參考值) |
連接尺寸 (標準值) |
重量 (kg) |
|
L |
H |
H2 |
A |
B2 |
PN1.6MPa |
PN2.5MPa |
|
毫米 |
英寸 |
短 |
長 |
D |
D1 |
Z-d |
D |
D1 |
Z-d |
|
50 |
2 |
108 |
150 |
112 |
605 |
245 |
72 |
165 |
125 |
4-18 |
165 |
125 |
4-18 |
19 |
|
65 |
21/2 |
112 |
170 |
115 |
625 |
245 |
72 |
185 |
145 |
4-18 |
185 |
145 |
8-18 |
22 |
|
80 |
3 |
114 |
180 |
120 |
645 |
355 |
92 |
200 |
160 |
8-18 |
200 |
160 |
8-18 |
25 |
|
100 |
4 |
127 |
190 |
138 |
675 |
355 |
92 |
220 |
180 |
8-18 |
235 |
190 |
8-22 |
28 |
|
125 |
5 |
140 |
200 |
164 |
715 |
355 |
92 |
250 |
210 |
8-18 |
270 |
220 |
8-26 |
43 |
|
150 |
6 |
140 |
210 |
175 |
800 |
250 |
138 |
285 |
240 |
8-22 |
300 |
250 |
8-26 |
50 |
|
200 |
8 |
152 |
230 |
208 |
850 |
250 |
170 |
340 |
295 |
12-22 |
360 |
310 |
12-26 |
64 |
|
250 |
10 |
165 |
250 |
243 |
925 |
250 |
170 |
405 |
355 |
12-26 |
425 |
370 |
12-30 |
99 |
|
300 |
12 |
178 |
270 |
283 |
1035 |
450 |
220 |
460 |
410 |
12-26 |
485 |
430 |
16-30 |
130 |
|
350 |
14 |
190 |
290 |
310 |
1070 |
450 |
220 |
520 |
470 |
16-26 |
555 |
490 |
16-33 |
188 |
|
400 |
16 |
216 |
310 |
340 |
1190 |
650 |
220 |
580 |
525 |
16-30 |
620 |
550 |
16-36 |
270 |
|
450 |
18 |
222 |
330 |
380 |
1250 |
650 |
280 |
640 |
585 |
20-30 |
670 |
600 |
20-36 |
350 |
|
500 |
20 |
229 |
350 |
410 |
1290 |
850 |
280 |
715 |
650 |
20-33 |
730 |
660 |
20-36 |
375 |
|
600 |
24 |
267 |
390 |
470 |
1455 |
850 |
380 |
840 |
770 |
20-36 |
845 |
770 |
20-39 |
560 |
|
700 |
28 |
292 |
430 |
550 |
1585 |
1250 |
380 |
910 |
840 |
24-36 |
960 |
875 |
24-42 |
610 |
|
800 |
32 |
318 |
470 |
640 |
1700 |
1250 |
280 |
1025 |
950 |
24-39 |
1085 |
990 |
24-48 |
880 |
|
900 |
36 |
330 |
510 |
710 |
1865 |
1250 |
280 |
1125 |
1050 |
28-39 |
1185 |
1090 |
28-48 |
1100 |
|
1000 |
40 |
410 |
550 |
770 |
2015 |
1250 |
380 |
1255 |
1170 |
28-42 |
1320 |
1210 |
28-56 |
1600 |
|
1200 |
48 |
470 |
630 |
890 |
2226 |
1500 |
380 |
1485 |
1390 |
32-48 |
1530 |
1420 |
32-56 |
2150 |
主要外形尺寸PN4.0MPa
|
公稱通徑 |
結構長度(標準值) |
外形尺寸(參考值) |
連接尺寸(標準值) |
|
L |
H |
H2 |
A |
B2 |
PN4.0MPa |
|
毫米 |
英寸 |
短 |
長 |
D |
D1 |
Z-d |
|
50 |
2 |
108 |
150 |
112 |
|
|
|
165 |
125 |
4-18 |
|
65 |
21/2 |
112 |
170 |
115 |
625 |
355 |
92 |
185 |
145 |
8-18 |
|
80 |
3 |
114 |
180 |
120 |
625 |
355 |
92 |
200 |
160 |
8-18 |
|
100 |
4 |
127 |
190 |
138 |
645 |
355 |
92 |
235 |
190 |
8-22 |
|
125 |
5 |
140 |
200 |
164 |
675 |
550 |
138 |
270 |
220 |
8-26 |
|
150 |
6 |
140 |
210 |
175 |
715 |
550 |
138 |
300 |
250 |
8-26 |
|
200 |
8 |
152 |
230 |
208 |
800 |
550 |
138 |
375 |
320 |
12-30 |
|
250 |
10 |
165 |
250 |
243 |
850 |
550 |
138 |
450 |
385 |
12-33 |
|
300 |
12 |
178 |
270 |
283 |
925 |
450 |
220 |
515 |
450 |
16-33 |
|
350 |
14 |
190 |
290 |
310 |
1035 |
450 |
220 |
580 |
510 |
16-36 |
|
400 |
16 |
216 |
310 |
340 |
1070 |
650 |
280 |
660 |
585 |
16-39 |
|
450 |
18 |
222 |
330 |
380 |
1190 |
650 |
280 |
685 |
610 |
20-39 |
|
500 |
20 |
229 |
350 |
410 |
|
|
|
755 |
670 |
20-42 |
注:法蘭標準:GB/T9113.1-2000 GB/T9113.2-2000 GB/T911.5.1-2000 GB/T9115.2-2000
聲明:【D641X不銹鋼氣動法蘭蝶閥】規格型號、結構尺寸由上海凱利科閥門有限公司提供,如何選擇適用的D641X不銹鋼氣動法蘭蝶閥產品,使之在工藝控制中安全可靠、經濟適用,可致電我司銷售部門及技術部門,我們將在最短的時間內為您解答! |